Humidaire Company, Inc

Phone: 215-467-4646 Fax: 215-467-1667
11500 Roosevelt Blvd
Unit 4
Philadelphia, PA
19116
humidair@comcast.net

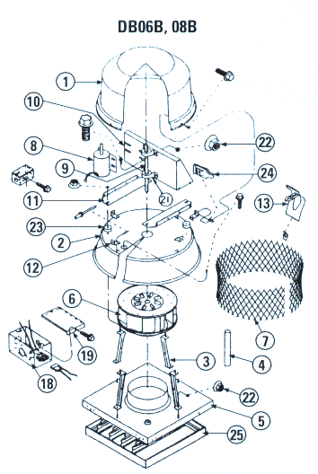
These roof ventilators are belt driven centrifugal exhausters designed to meet air delivery requirements where steady exhaust is needed under moderate static pressure. Housings are of spun aluminum construction with built-in bird screen. Ventilators are furnished with self-aligning, pre-lubricated ball bearing pillow blocks, spark proof aluminum wheels, and aluminum backdraft damper.

Our stock of products will help you deliver greatly needed comfort, thus providing the quality of life that we expect.
Large

Hours:
8:30 a.m.-6:00 p.m. Daily
Parts
Parts for Roof top ventilator DB06, DB06B Parts for Roof top ventilator DB12B, DB30B
Electric motor and drive assembly  for Roof top ventilator